8 (800) 707-90-21 8 (495) 580-34-49

УЗИП ZRS-485

Артикул: 706441

Артикул: 706441

  • Номинальное рабочее напряжение, Uo:

    5 В

  • Максимальное длительное рабочее напряжение, Uc:

    6 В

  • Номинальный разрядный ток (8/20 мкс):

    20 кА

  • Номинальный рабочий ток, IL:

    500 мА

  • Время срабатывания, tA:

    < 1 нс

Все характеристики

Арт. 706441. УЗИП ZRS-485. УЗИП ZRS-485 предназначен для защиты двухпарных линий передачи данных по протоколам RS‑485, RS‑422 и V.11. Устройство обеспечивает уравнивание потенциалов между линиями, а также между сигнальной и защитной землё...

Читать далее
Розничная цена 27 034 ₽ за шт
*Цены указаны в информационных целях и ни при каких условиях не являются публичной офертой, определяемой положениями Статьи 437 Гражданского кодекса РФ. Информация на сайте носит ознакомительный характер. Актуальные на текущий день цены и условия поставки уточняйте у менеджеров.

Нужна помощь в выборе?

Наши менеджеры смогут оперативно помочь вам по телефону 8 (800) 707-90-21, электронной почте ezetek@ezetek.ru или

Технические характеристики

Категория испытаний по ГОСТ IEC 61643-21 D1,C1,C2,C3
Номинальное рабочее напряжение, Uo 5 В
Максимальное длительное рабочее напряжение, Uc 6 В
Степень защиты IP 20
Номинальный разрядный ток (8/20 мкс) 20 кА
Тип интерфейса RS-485, RS-422, V11, X21, RS423A
Число защищаемых пар 2 (4 провода)
Разрядное напряжение, Ures [5,6,7,8 – SG] 6,5 – 8,5 В
Разрядное напряжение, Ures [5,6,7,8 – РЕ] 78 – 116 В
Номинальный рабочий ток, IL 500 мА
Остаточное напряжение при 5 кА (8/20), Ures 20 В
Время срабатывания, tA < 1 нс
Тепловая защита термоконтакт (5, 6, 7, 8)
Сопротивление изоляции, Riso 30 МОм
Вносимое сопротивление на линию, R 1,7 – 1,9 Ом
Паразитная емкость, С < 2 нФ
Граничная частота, fG ≥ 1 МГц
Диапазон рабочих температур –40...+80 °С

Описание

Арт. 706441.

УЗИП ZRS-485.

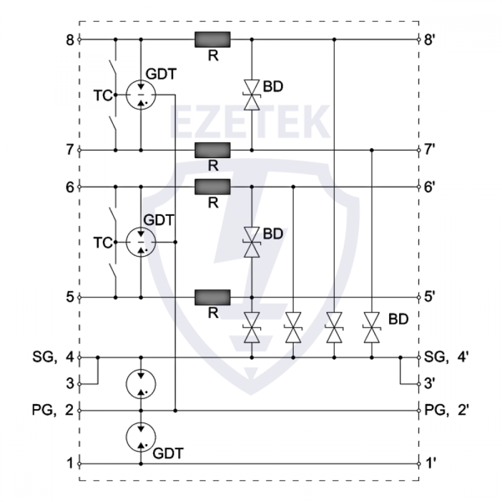
УЗИП ZRS-485 предназначен для защиты двухпарных линий передачи данных по протоколам RS‑485, RS‑422 и V.11. Устройство обеспечивает уравнивание потенциалов между линиями, а также между сигнальной и защитной землёй, предотвращая повреждение оборудования при перенапряжениях. Защита реализована в два этапа: первая ступень — грубая защита с помощью газоразрядной трубки, вторая ступень — тонкая защита с использованием TVS‑диодов, при этом обеспечивается как дифференциальная, так и продольная защита. Ступени согласованы так, чтобы исключить слепые зоны по напряжению и току импульса. Встроенная тепловая защита предотвращает разрушение устройства при перегреве.

Заземление осуществляется на 35 мм DIN-рейку.



Для подбора устройства рекомендуется заполнить опросный лист, в котором указываются параметры сети, особенности монтажа и требования к уровню защиты. Это позволяет выбрать решение, соответствующее требованиям надёжности и безопасности конкретного объекта.


Опросный лист

Принцип маркировки УЗИП

Применение УЗИП

Аналоги

Загрузка...

С этим покупают

Хиты продаж

Загрузка...