8 (800) 707-90-21 8 (495) 580-34-49

Расчет электролитического заземления

Расчет электролитического заземления

Здесь должен быть какой-то небольшой пояснительный текст, возможно, в пару предложений и несколько строчек

Прикрепите ваш файл проекта и мы рассчитаем его

Сопротивление грунта (Ом*м):
Комплект электролитического заземления:
Климатический коэффициент:
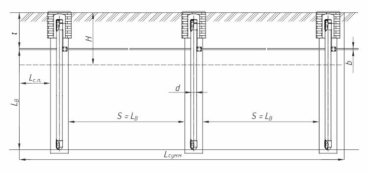
Глубина заложения, t (м):
Длина соединительной полосы, Lсумм (м):
Количество заземлителей, n:

Расчетные данные

Удельное электрическое сопротивление грунта (Ом*м):
100.00
Сопротивление одиночного электролитического заземлителя (Ом):
0.00
Длина горизонтального заземлителя (м):
10.00
Сопротивление горизонтального заземлителя (Ом):
0.00
Общее сопротивление растеканию электрического тока (Ом):
0.00
*Формат ввода - х.хх (разделитель - точка)

Часто задаваемые вопросы

Электролитическое заземление — это современная система заземления, которая использует специальный электролит для улучшения проводимости грунта. В отличие от обычного заземления, где используются металлические электроды, электролитическое заземление создает вокруг электрода зону с улучшенной проводимостью благодаря химической реакции электролита с грунтом.

Основные преимущества:

  • Более низкое сопротивление растеканию тока
  • Долговечность (30-50 лет без обслуживания)
  • Эффективность в различных типах грунта
  • Меньше требуется электродов для достижения нужного сопротивления

Выбор комплекта зависит от нескольких факторов:

  • Тип грунта и его сопротивление — чем выше сопротивление грунта, тем более мощный комплект требуется
  • Требуемое сопротивление заземления — определяется нормативными документами (обычно 0.5-4 Ом)
  • Климатическая зона — влияет на выбор коэффициентов в расчете
  • Тип электрода — вертикальный (В/ВР) для ограниченных пространств, горизонтальный (Г/ГР) для больших площадей

Используйте наш калькулятор для точного расчета необходимого комплекта на основе ваших параметров.

Для установки и эксплуатации электролитического заземления необходимы следующие документы:

  • Проектная документация с расчетами сопротивления заземления
  • Протоколы измерений сопротивления заземления (после установки)
  • Акт скрытых работ (если электроды закопаны)
  • Сертификаты соответствия на используемое оборудование
  • Паспорта на комплекты электролитического заземления

Все расчеты должны соответствовать требованиям ПУЭ (Правила устройства электроустановок) и других действующих нормативных документов. Рекомендуем заказать профессиональный расчет через наш калькулятор или обратиться к нашим специалистам.

Хиты продаж

Специальный состав EZANIT, 30 кг Специальный состав EZANIT, 30 кг

Артикул: 65369

10 650 ₽