Безопасная эксплуатация электроустановок различного назначения, выполненных в соответствии с требованиями ПУЭ и других нормативных документов, обеспечивается рядом технических и организационных мер электробезопасности, одной из которых является обустройство заземления, то есть преднамеренного соединения металлических частей электроустановки, которые могут оказаться под напряжением при повреждении изоляции, с заземляющим устройством.
Под заземляющим устройством понимается совокупность заземлителя и заземляющих проводников. Основным элементом этой системы является заземлитель, электрод которого или совокупность соединенных между собой электродов, находятся в электрическом контакте с землей непосредственно или через промежуточную проводящую среду.
Кроме мер электробезопасности, заземление электроустановки также обеспечивает её функционирование в расчетных режимах. Такое заземление называется рабочим или функциональным (например, заземление нейтрали трансформаторов и генераторов).
Молниеприемники внешних молниезащитных систем зданий, сооружений или промышленных коммуникаций соединяются с заземлителем для отвода тока молнии в землю.
Таким образом, заземляющее устройство является многофункциональным, выполняющим, в общем случае, все вышеуказанные функции одновременно.
Заземляющее устройство, используемое для заземления электроустановок одного или разных назначений и напряжений, должно удовлетворять всем требованиям, предъявляемым к заземлению этих электроустановок:
- защиты людей от поражения электрическим током при повреждении изоляции, условиям режимов работы сетей;
- защиты электрооборудования от перенапряжения и т.д. в течение всего периода эксплуатации. И в первую очередь должны быть соблюдены требования, предъявляемые к защитному заземлению.
В нормативной документации требованию к значению сопротивления заземлителя определяются относительно номинального напряжения электроустановки и величины токов короткого замыкания. Требуемые значения электрических характеристик заземляющих устройств должны быть обеспечены при наиболее неблагоприятных условиях, связанных с сезонными изменениями параметров электрической структуры грунта. Под грунтом понимаются любые горные породы, почвы, осадки и техногенные образования, рассматриваемые как многокомпонентные системы и часть геологической среды.
Характер поверхности и растительности может дать некоторую начальную информацию относительно более или менее благоприятной характеристики грунта для установки заземлителя. Более точная информация о структуре грунта обеспечивается применением геофизических методов, в частности электроразведкой - методом вертикального электрического зондирования. Отмечается, что геологическая структура грунта в пределах глубин порядка сотен метров в достаточной степени разнообразна и в общем случае имеет горизонтально-слоистый вид с небольшими углами наклона границ и различным удельным электрическим сопротивлением слоев (рис. 1).

Рис. 1. Условный вид геологического строения грунта
Параметры верхнего или активного слоя (грунт глубиной до 3 м) подвержены сезонным изменениям, вызываемым динамикой температуры и влажности. В северных и центральных районах страны наибольшее значение удельного электрического сопротивления слоя сезонных изменений соответствует концу зимнего периода, а для южных – расчетным сезоном являются летние месяцы (рис. 2). Глубинные слои обладают более стабильным удельным электрическим сопротивлением.

Рис. 2. Изменение глубины промерзания грунта по территории РФ
В инженерных методиках расчета сопротивлений заземлителей вся совокупность значений проводимостей слоев грунта приводиться к эквивалентному значению с учетом геометрических размеров заземлителей и циклических сезонных изменений электрических параметров верхних слоев грунта.
Для заземления применяются искусственные и естественные заземлители. Естественными заземлителями являются металлические элементы, проложенные в земле для других целей, но используемые при этом для целей заземления.
В качестве естественных заземлителей могут быть использованы:
1) металлические и железобетонные конструкции зданий и сооружений, находящиеся в соприкосновении с землей, в том числе железобетонные фундаменты зданий и сооружений, имеющие защитные гидроизоляционные покрытия;
2) металлические трубы водопровода, проложенные в земле;
3) металлические оболочки бронированных кабелей, проложенных в земле;
4) другие находящиеся в земле металлические конструкции и сооружения.
Использование естественных заземлителей в качестве элементов заземляющих устройств не должно приводить к их повреждению при протекании по ним токов короткого замыкания или к нарушению работы устройств, с которыми они связаны.
При использовании железобетонных фундаментов в качестве естественных заземлителей и обеспечении допустимых напряжений прикосновения не требуется сооружение искусственных заземлителей, прокладка выравнивающих полос снаружи зданий и выполнение магистральных проводников заземления внутри здания. Металлические и железобетонные конструкции при использовании их в качестве заземляющих устройств должны образовывать непрерывную электрическую цепь по металлу, а в железобетонных конструкциях должны предусматриваться закладные детали для присоединения электрического и технологического оборудования.
Однако, при использовании железобетонных фундаментов необходимо учитывать следующее. Если фундамент полностью защищен с помощью специальной теплоизоляции из непроводящих материалов, или если фундамент имеет гидроизоляцию, например, пластмассовые листы толщиной больше 1 мм, использование бетонного фундамента в качестве заземлителя малоэффективно. В этих случаях, металлическую арматуру фундамента можно применять для защитного уравнивания потенциалов, а в целях заземления следует применять искусственный заземлитель. Наличием битумного покрытия на железобетонной конструкции при расчете сопротивления естественного заземлителя можно пренебречь.
Конструкцию искусственных заземлителей можно подразделить на два вида. Заземлители, выполненные из элементарных проводников различного профиля сечения (круглый, прямоугольный, угловой и трубный) и формы (кольцевая, лучевая) и сложные заземлители, которые представляют комбинацию горизонтальных и вертикальных электродов, в том числе и в виде замкнутого контура с внутренними горизонтальными перемычками (сетки).

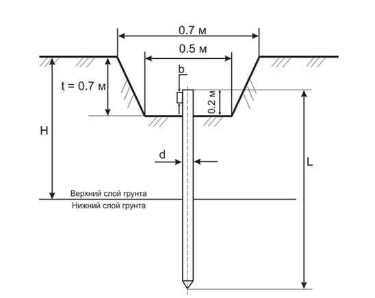
Рис. 3. Стержневой заземлитель

Рис. 4. Комбинированный заземлитель
Эффективность вертикальными стержневых заземлителей зависит от степени однородности грунта. Увеличение длины электродов в разумных пределах обосновано, если имеется возможность достичь слоев с большей проводимостью. Если структура грунта более или менее однородная, то увеличение длины вертикальных электродов малоэффективно, так как изменяет сопротивление заземлителя незначительно.
Заземлитель укладывается в грунте на определённой глубине, называемой глубиной заложения или обслуживания. Её среднее значение составляет 0,5-0,7 м. Такое заглубление необходимо для уменьшения влияния сезонного изменения проводимости верхних слоев грунта. Если в месте установки заземлителя наблюдается однородная электрическая структура грунта, то величина глубины заложения в пределах от 0,5 до 1 м слабо влияет на снижение сопротивления заземлителя.
Увеличение глубины заложения связано с дополнительными затратами и не позволяет оперативно производить обслуживание заземлителей. В тоже время, сложные заземлители (например, мощных электрических подстанций) могут закладываться на различной глубине от поверхности земли, тем самым уменьшая «шаговое» напряжение и обеспечивая более равномерное распределение напряжения.
Заземляющие устройства должны быть механически прочными, термически и динамически стойкими к токам замыкания на землю. Наименьшие поперечные размеры электродов определяются с учетом коррозии материала, из которого они изготовлены. Для повышения эксплуатационных характеристик заземлителей в этом случае увеличивают сечение электродов или применяют медные проводники или проводники с гальваническим покрытием.
Применение омедненных или оцинкованных стальных электродов широко используется в модульных конструкциях заземлителей, позволяющих выполнять вертикальные электроды произвольной длины из сборного комплекта стержней длиной 1,2-15 м. Эффективность таких систем очевидна (получение стабильного сопротивления в течение всего срока службы системы заземления благодаря отсутствию коррозии), в том числе и с точки зрения производства монтажных работ.
Однако эксплуатационных характеристики таких заземлителей зависят от толщины медного или цинкового покрытия, его пластичности, технологии нанесения на стальной сердечник, а также от способа соединения стрежней между собой.
На российском рынке основным производителем омедненных стержней заземления является компания EZETEK, которая специализируется на разработке, производстве и поставке систем модульно-стержневого, электролитического заземления, а также молниезащиты для объектов любой сложности.

Рис.5. Элементы модульно-стрежневой системы EZETEK
Необходимо отметить и еще один вид заземлителей – электролитический. Конструктивно заземлитель выполнен в виде полого перфорированного электрода, устанавливаемого вертикально, или электрода «г»-образной формы, укладываемого горизонтально на малой глубине (порядка 1 метра).
Рис. 6. Комплект электролитического заземления EZЕТЕК
Полость внутри электрода заполняется специальной солевой смесью. За счет взаимодействия с влагой образуется электролит, который повышает электропроводность грунта. Применение таких заземлителей наиболее эффективно в высокоомных грунтах или в случаях, когда накладываются ограничения на монтаж электродов на большую глубину или ограничена площадь, отводимая для контура заземления.
Свежие статьи
Заземление – что это простыми словами и для чего нужно, как работает
Тело человека – хороший проводник электрического тока. Самыми высокими показателями электропроводности обладают мышцы и подкожная-жировая клетчатка, то есть как раз те места, которые первыми контактируют с внешним источником тока, будь то оголенный провод или неисправный электроприбор.