8 (800) 707-90-21 8 (495) 580-34-49

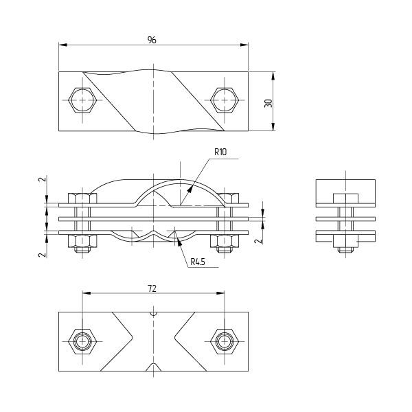
Зажим заземления стержень — полоса/пруток диагональный, нерж.

Зажим заземления стержень — полоса/пруток диагональный, нерж.

Артикул: 62816

Артикул: 62816

  • Материал:

    Сталь нержавеющая

Все характеристики

Арт. 62816. Зажим заземления стержень — полоса/пруток диагональный, нерж. Зажим используется для соединения стержня заземления с прутком, либо полосой Т-образным либо параллельным способом. Он стягивается при помощи двух шестигранных болтов с гайка...

Читать далее
Розничная цена 620 ₽ за шт
*Цены указаны в информационных целях и ни при каких условиях не являются публичной офертой, определяемой положениями Статьи 437 Гражданского кодекса РФ. Информация на сайте носит ознакомительный характер. Актуальные на текущий день цены и условия поставки уточняйте у менеджеров.

Нужна помощь в выборе?

Наши менеджеры смогут оперативно помочь вам по телефону 8 (800) 707-90-21, электронной почте ezetek@ezetek.ru или

Технические характеристики

Материал Сталь нержавеющая
Вес, кг 0,17

Описание

Арт. 62816.
Зажим заземления стержень — полоса/пруток диагональный, нерж.


Зажим используется для соединения стержня заземления с прутком, либо полосой Т-образным либо параллельным способом. Он стягивается при помощи двух шестигранных болтов с гайками из нержавеющей стали с резьбой М8.

Преимущества

  • Надежное соединение вертикального заземлителя с горизонтальным проводником за 1 монтаж.  
  • Изготовлен из высококачественной нержавеющей стали.
  • Антисамоотвинчивание ГОСТ 10434-82.
  • Производство в РФ.  

Аналоги

Загрузка...

С этим покупают

Хиты продаж

Загрузка...