8 (800) 707-90-21 8 (495) 580-34-49

УЗИП ET B 25/275 (2+0) TCG

УЗИП ET B 25/275 (2+0) TCG

Артикул: 500339

Артикул: 500339

  • Рабочее напряжение, В:

    275

  • Фазность:

    Однофазный

Все характеристики

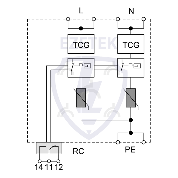
УЗИП ET B 25/275 TCG (2+0) – двухполюсное устройство защиты от импульсных перенапряжений класса испытаний I+II по ГОСТ IEC 61643-11, выполненное на базе варисторов. Устройство предназначено для установки в сетях с номинальным напряжением 230 В и макси...

Читать далее
Розничная цена 28 095 ₽ за шт
*Цены указаны в информационных целях и ни при каких условиях не являются публичной офертой, определяемой положениями Статьи 437 Гражданского кодекса РФ. Информация на сайте носит ознакомительный характер. Актуальные на текущий день цены и условия поставки уточняйте у менеджеров.

Нужна помощь в выборе?

Наши менеджеры смогут оперативно помочь вам по телефону 8 (800) 707-90-21, электронной почте ezetek@ezetek.ru или

Технические характеристики

Размер (В×Ш×Д) 99 × 71 × 72 мм
Вес, кг 0.43
Класс I + II
Рабочее напряжение, В 275
Размер модуля DIN 43880 4 ТЕ
Фазность Однофазный

Описание

УЗИП ET B 25/275 TCG (2+0) – двухполюсное устройство защиты от импульсных перенапряжений класса испытаний I+II по ГОСТ IEC 61643-11, выполненное на базе варисторов. Устройство предназначено для установки в сетях с номинальным напряжением 230 В и максимальным длительным напряжением 275 В, способно выдерживать импульсные токи формы 10/350 мкс до 25 кА, формы 8/20 – до 50 кА. Применяется в сетях с системами заземления типа TN-S, TN-C, TT.


ГОСТ IEC 61643-11-2013
Класс УЗИП I+II
Место установки Главный распределительный щит
Тип низковольтной системы TN-S
Места присоединения N - PE, L - PE
Импульсный ток Iimp = 12.5 kA (10/350 мкс)
Разрядный ток In = 20 kA (8/20 мкс)
Защитный элемент Высокоэнергетический оксидно-цинковый варистор и разрядник
Безопасность Высокая устойчивость к ВПН; Без тока утечки
Корпус Компактный 4 ТЕ


Технические характеристики

Род тока

Переменный 50/60 Гц

Номинальное рабочее напряжение

Uo

230 В

Максимальное длительное рабочее напряжение

Uc

275 В

Номинальный разрядный ток (8/20 мкс)

In

20 кА

Максимальный разрядный ток (8/20 мкс)

Imax

50 кА

Импульсный ток (10/350 мкс)

Iimp

12,5 кА

Суммарный импульсный ток (10/350 мкс)

Itotal

25 кА

Удельная энергия

W/R

39 кДж / Ом

Заряд

Q

6,25 Ас

Уровень напряжения защиты

Up

< 1,5 кВ

Время срабатывания

tA

< 25 нс

Номинал защитного предохранителя (если на вводе > 250 A)

250 A gG

Номинальный ток короткого замыкания

I SCCR

50 кА

Значение временного испытательного перенапряжения ВПН, выдерживает 120 мин.

UT

438 В

Количество полюсов

2

Механические характеристики

Рабочая температура

Т а

От -40 ºC до +85 ºC

Допустимая влажность

RH

5%...95%

Крутящий момент затяжки

Mmax

3,0 Нм

Максимальное сечение подключаемых проводов

35 мм 2 (одножильный) / 25 мм 2 (многожильный)

Монтаж

35 мм DIN рейка

Степень защиты оболочки, ГОСТ 14254-2015

IP 20

Материал корпуса

Термопластик: Степень тушения UL 94 V-0

Тепловая защита

Есть

Индикатор аварийного состояния

Красный

Дистанционная сигнализация

Есть

Коммутационная способность

AC: 250 В / 0,5 А; 125 В / 3 А

Максимальное сечение подключаемых проводов

1,5 мм 2 (одножильный)

Крутящий момент затяжки

Mmax

0,25 Нм

Артикул

ETB 25/275 (2+0) TCG

500339


Аналоги

Загрузка...

С этим покупают

Хиты продаж

Загрузка...