8 (800) 707-90-21 8 (495) 580-34-49

УЗИП ET B 100/275 (3+1) TCG

УЗИП ET B 100/275 (3+1) TCG

Артикул: 500325

Артикул: 500325

  • Рабочее напряжение, В:

    275

  • Фазность:

    Трехфазный

Все характеристики

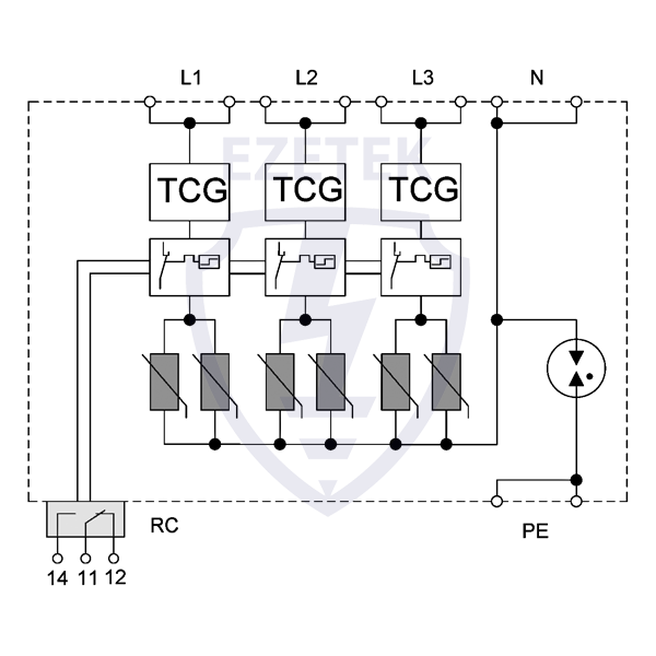
Арт. 500325. УЗИП ET B 100/275 (3+1) TCG. ET B 100 (3+1) TCG — мощный трехфазный УЗИП I+II Класса комбинированного типа, выполненный на базе варисторов и газоразрядника (N – PE) для защиты оборудования в низковольтных цепях до 1000 В от прям...

Читать далее
Розничная цена 93 710 ₽ за шт
*Цены указаны в информационных целях и ни при каких условиях не являются публичной офертой, определяемой положениями Статьи 437 Гражданского кодекса РФ. Информация на сайте носит ознакомительный характер. Актуальные на текущий день цены и условия поставки уточняйте у менеджеров.

Нужна помощь в выборе?

Наши менеджеры смогут оперативно помочь вам по телефону 8 (800) 707-90-21, электронной почте ezetek@ezetek.ru или

Технические характеристики

Размер (В×Ш×Д) 99 × 71 × 144 мм
Вес, кг 1.15
Класс I + II
Рабочее напряжение, В 275
Размер модуля DIN 43880 8 TE
Фазность Трехфазный

Описание

Арт. 500325.
УЗИП ET B 100/275 (3+1) TCG.

ET B 100 (3+1) TCG — мощный трехфазный УЗИП I+II Класса комбинированного типа, выполненный на базе варисторов и газоразрядника (N – PE) для защиты оборудования в низковольтных цепях до 1000 В от прямых и отдаленных атмосферных разрядов при воздушном или кабельном вводах электропитания. Благодаря новой конструкции TCG УЗИП невосприимчив к временному перенапряжению, полностью исключена утечка тока на землю, рассчитан на более длительный срок службы. Применяется в системах заземления: TN-S, TN-С-S, TT. УЗИП выдерживает токовые нагрузки соответствующие УЗИП Класса I, а по ограничению переходных напряжений — УЗИП Класса II. Устанавливаются в пределах 0А(В) — 1 зон молниезащиты (в соответствии с МЭК 62305 и CO-153-34. 21. 122-2003).


Технические характеристики

Род тока

Переменный 50/60 Гц

Номинальное рабочее напряжение

Uo

230 В

Максимальное длительное рабочее напряжение L - N

Uc

275 В

Максимальное длительное рабочее напряжение N - PE

Uc

255 В

Номинальный разрядный ток (8/20 мкс) L - N/N - PE

In

25 кА / 100 кА

Максимальный разрядный ток (8/20 мкс) L - N/N - PE

Imax

100 кА /100 кА

Импульсный ток (10/350 мкс) L - N/N - PE

Iimp

25 кА /100 кА

Суммарный импульсный ток (10/350 мкс)

Itotal

100 кА

Удельная энергия L - N/N - PE

W/R

156 кДж/Ом / 2,5 МДж/Ом

Заряд L - N/N - PE

Q

12,5 Ас / 50 Ас

Уровень напряжения Защиты L - N/N - PE

Up

< 1,5 кВ / < 1,5 кВ

Номинальная отключающая способность сопровождающего тока N - PE

Ifi

100 ARMS

Время срабатывания L - N/N - PE

tA

< 25 нс / < 100 нс

Номинал защитного предохранителя (если на вводе > 250 A)

250 A gG

Номинальный ток короткого замыкания

ISCCR

50 кА

Значение временного испытательного перенапряжения ВПН, выдерживает 120 мин., L - N

UT

438 В

Значение временного испытательного перенапряжения ВПН, выдерживает 200 мс., N - PE

UT

1200 В / 300 А

Количество полюсов

4

Механические характеристики

Рабочая температура

Ta

От -40 ºC до +85 ºC

Допустимая влажность

RH

5%...95%

Крутящий момент затяжки

Mmax

3,0 Нм

Максимальное сечение подключаемых проводов

35 мм 2 (одножильный) / 25 мм 2 (многожильный)

Монтаж

35 мм DIN рейка

Степень защиты оболочки, ГОСТ 14254-2015

IP 20

Материал корпуса

Термопластик: Степень тушения UL 94 V-0

Тепловая защита L - N/N - PE

Есть / Нет

Индикатор аварийного состояния L - N/N - PE

Красный / Нет

Дистанционная сигнализация

Есть

Коммутационная способность

AC: 250 В / 0,5 А; 125 В / 3 А

Максимальное сечение подключаемых проводов

1,5 мм 2 (одножильный)

Крутящий момент затяжки

Mmax

0,25 Нм

Артикул

ET B 100/275 (3+1)TCG

500325


Аналоги

Загрузка...

С этим покупают

Хиты продаж

Загрузка...