8 (800) 707-90-21 8 (495) 580-34-49

УЗИП IZB 15

Артикул: 513058

Артикул: 513058

  • Рабочее напряжение, В:

    6

  • Фазность:

    Однофазный

  • Время срабатывания, tA:

    <1нс (2,9,4,11 – 8, SG)

  • Номинальное рабочее напряжение DC, Un:

Все характеристики

Арт. 513058. УЗИП IZB 15. УЗИП IZB 15 разработан для защиты двухпарных цепей передачи данных, использующих протоколы RS-422, V.11 и X.12. Устройство выполнено в металлическом корпусе и содержит защитную схему для двух сбалансированных пар...

Читать далее
*Цены указаны в информационных целях и ни при каких условиях не являются публичной офертой, определяемой положениями Статьи 437 Гражданского кодекса РФ. Информация на сайте носит ознакомительный характер. Актуальные на текущий день цены и условия поставки уточняйте у менеджеров.

Нужна помощь в выборе?

Наши менеджеры смогут оперативно помочь вам по телефону 8 (800) 707-90-21, электронной почте ezetek@ezetek.ru или

Технические характеристики

Степень защиты IP 20
Класс III
Рабочее напряжение, В 6
Фазность Однофазный
Время срабатывания, tA <1нс (2,9,4,11 – 8, SG)
Тепловая защита Термоконтакт (2,9,4 и 11)
Сопротивление изоляции, Riso 6kOм
Вносимое сопротивление на линию, R 1,7 -1,9Oм
Паразитная емкость, С <30нФ
Диапазон рабочих температур -40оС - +80оС
Номинальный разрядный ток (8/20), In 10kA
Номинальный рабочий ток при 25 °С, IL 500мА
Материал корпуса Алюминиевый
Номинальное рабочее напряжение DC, Un
Максимальное рабочее напряжение DC, Uc
Уровень импульсного перенапряжения, (2,9,4,11 – 8,SG) 6,5В – 8,5В
Уровень импульсного перенапряжения, (2-9 и 4-11) 6,5В – 8,5В
Уровень импульсного перенапряжения, (2,9,4,11-1,PG) 78В – 116В
Уровень защиты Up при I(8/20) = 5кА, (line-line) <20В
Соединение M-LINE
Частотный диапазон, fG 35МГц

Описание

Арт. 513058.

УЗИП IZB 15.

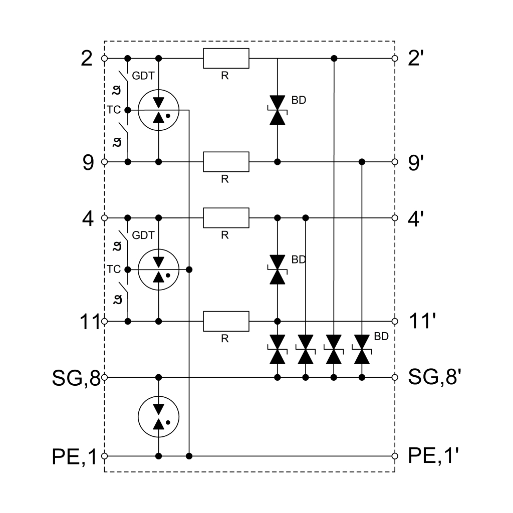
УЗИП IZB 15 разработан для защиты двухпарных цепей передачи данных, использующих протоколы RS-422, V.11 и X.12. Устройство выполнено в металлическом корпусе и содержит защитную схему для двух сбалансированных пар с эквипотенциальным выравниванием между ними. Дополнительное выравнивание потенциалов реализовано между сигнальной и защитной землёй, что позволяет избежать повреждений оборудования при возникновении разности потенциалов заземления в условиях импульсных перенапряжений.

Защита реализована в два этапа: первичная — на базе трёхэлектродного газоразрядника для подавления высокоэнергетических импульсов, и вторичная — на основе TVS-диодов. Она обеспечивает как продольную (от каждой линии к земле), так и поперечную (между жилами пары) защиту от перенапряжений. Встроенная термозащита снижает риск теплового разрушения устройства.



Для подбора устройства рекомендуется заполнить опросный лист, в котором указываются параметры сети, особенности монтажа и требования к уровню защиты. Это позволяет выбрать решение, соответствующее требованиям надёжности и безопасности конкретного объекта.


Опросный лист

Принцип маркировки УЗИП

Применение УЗИП

Аналоги

Загрузка...

Хиты продаж

Загрузка...