8 (800) 707-90-21 8 (495) 580-34-49

УЗИП HZC 24 (Сменный модуль)

УЗИП HZC 24 (Сменный модуль)

Артикул: 500527

Артикул: 500527

  • Рабочее напряжение, В:

    24

  • Фазность:

    Однофазный

  • Импульсный ток (10/350 мкс):

    2,5 кА

  • Номинальный рабочий ток, IL:

  • Максимальный разрядный ток (8/20), Imax:

    20 кА

  • Номинальное рабочее напряжение DC, Un:

    24В

Все характеристики

Арт. 500527. УЗИП HZC 24 (Сменный модуль). HZC — УЗИП с возможностью подключения «сигнальной» земли, выполненный на базе газоразрядных трубок с терморасцепителями и диодного моста, для защиты оборудования автоматизации, телемеханизации, связ...

Читать далее
Розничная цена 12 703 ₽ за шт
*Цены указаны в информационных целях и ни при каких условиях не являются публичной офертой, определяемой положениями Статьи 437 Гражданского кодекса РФ. Информация на сайте носит ознакомительный характер. Актуальные на текущий день цены и условия поставки уточняйте у менеджеров.

Нужна помощь в выборе?

Наши менеджеры смогут оперативно помочь вам по телефону 8 (800) 707-90-21, электронной почте ezetek@ezetek.ru или

Технические характеристики

Категория испытаний по ГОСТ IEC 61643-21 D1, C1, C2, C3
Размер (В×Ш×Д) 90х12х71,5
Класс III
Рабочее напряжение, В 24
Фазность Однофазный
Вес, гр 26
Импульсный ток (10/350 мкс) 2,5 кА
Число защищаемых пар 1 (2 провода)
Номинальный рабочий ток, IL
Остаточное напряжение при 5 кА (8/20), Ures < 70 B
Вносимое сопротивление на линию, R 1,6 – 2,0 Ом
Граничная частота, fG 30 МГц
Диапазон рабочих температур –40...+85 °С
Рекомендуемое сечение присоединяемых проводов 4 мм2
Максимальный разрядный ток (8/20), Imax 20 кА
Номинальный разрядный ток (8/20), In 10 кА
Материал корпуса Термопластик
Номинальное рабочее напряжение DC, Un 24В
Максимальное рабочее напряжение DC, Uc 28В
Степень защиты оболочки IP 20
Монтаж 35 мм DIN-рейка
Разрядное напряжение, Ures [a - b], [a/b - PG] 30 – 36 В
Разрядное напряжение, Ures [SH - PG] 184 – 276 В
Сопротивление изоляции, Riso [a - b], [a/b - PG] > 28 МОм
Сопротивление изоляции, Riso [SH - PG] > 1 ГОм
Паразитная емкость, С [a - b], [a/b - PG] / 50 пФ
Паразитная емкость, C [SH - PG] 5 пФ
Время срабатывания, tA [а/b] / tA [а/b - РG] < 1 нс
Время срабатывания, tA [SH - РG] 100 нс

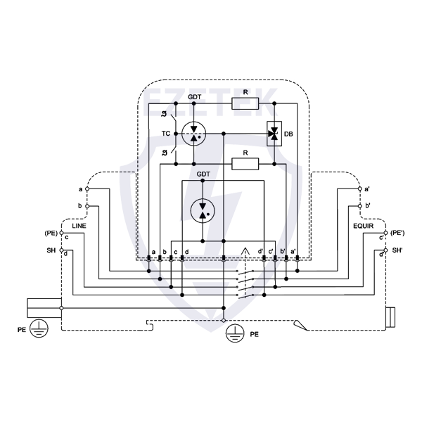
Описание

Арт. 500527.
УЗИП HZC 24 (Сменный модуль).

HZC — УЗИП с возможностью подключения «сигнальной» земли, выполненный на базе газоразрядных трубок с терморасцепителями и диодного моста, для защиты оборудования автоматизации, телемеханизации, связи и передачи данных. Устройство устанавливается вблизи защищаемого оборудования и предназначено для защиты от импульсных перенапряжений конечных потребителей по одной паре проводников.

Монтаж производится: 35 мм DIN-рейка



Аналоги

Загрузка...

С этим покупают

Хиты продаж

Загрузка...