8 (800) 707-90-21 8 (495) 580-34-49

УЗИП EZR2 110M (Сменный модуль)

УЗИП EZR2 110M (Сменный модуль)

Артикул: 708142

Артикул: 708142

  • Рабочее напряжение, В:

    110

  • Фазность:

    Однофазный

  • Импульсный ток (10/350 мкс):

    5 кА

  • Номинальный рабочий ток, IL:

    300 мА

  • Время срабатывания, tA:

    < 100 нс

  • Максимальный разрядный ток (8/20), Imax:

    20 кА

  • Номинальное рабочее напряжение DC, Un:

    110В

Все характеристики

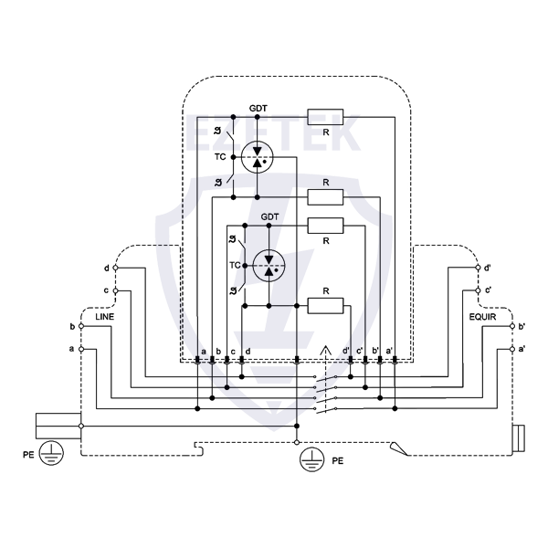
Арт. 708142. УЗИП EZR2 110M (Сменный модуль). EZR2 110 M — УЗИП, выполненный на базе газоразрядной трубки с терморасцепителями, для защиты оборудования по линиям связи и передачи данных. Устройство устанавливается вблизи защищаемого оборудов...

Читать далее
Розничная цена 15 704 ₽ за шт
*Цены указаны в информационных целях и ни при каких условиях не являются публичной офертой, определяемой положениями Статьи 437 Гражданского кодекса РФ. Информация на сайте носит ознакомительный характер. Актуальные на текущий день цены и условия поставки уточняйте у менеджеров.

Нужна помощь в выборе?

Наши менеджеры смогут оперативно помочь вам по телефону 8 (800) 707-90-21, электронной почте ezetek@ezetek.ru или

Технические характеристики

Категория испытаний по ГОСТ IEC 61643-21 D1, C1, C2, C3
Размер (В×Ш×Д) 90х12х85
Класс III
Рабочее напряжение, В 110
Фазность Однофазный
Вес, гр 28
Импульсный ток (10/350 мкс) 5 кА
Число защищаемых пар 2 (4 провода)
Номинальный рабочий ток, IL 300 мА
Остаточное напряжение при 5 кА (8/20), Ures < 500 B
Время срабатывания, tA < 100 нс
Тепловая защита термоконтакт
Сопротивление изоляции, Riso > 1 ГОм
Вносимое сопротивление на линию, R 9 – 11 Ом
Паразитная емкость, С 10 пФ
Граничная частота, fG 16 МГц
Диапазон рабочих температур –40...+85 °С
Рекомендуемое сечение присоединяемых проводов 4 мм2
Максимальный разрядный ток (8/20), Imax 20 кА
Номинальный разрядный ток (8/20), In 10 кА
Материал корпуса Термопластик
Номинальное рабочее напряжение DC, Un 110В
Максимальное рабочее напряжение DC, Uc 170В
Степень защиты оболочки IP 20
Монтаж 35 мм DIN рейка
Разрядное напряжение, Ures [a/b] 184 – 550 В
Разрядное напряжение, Ures [a/b - PE] 184 – 276 В

Описание

Арт. 708142.
УЗИП EZR2 110M (Сменный модуль).

EZR2 110 M — УЗИП, выполненный на базе газоразрядной трубки с терморасцепителями, для защиты оборудования по линиям связи и передачи данных. Устройство устанавливается вблизи защищаемого оборудования и предназначено для защиты от импульсных перенапряжений конечных потребителей по двум парам проводников.




Аналоги

Загрузка...

С этим покупают

Хиты продаж

Загрузка...